マルテンサイトを焼戻しした時に生じる、セメンタイトとフェライトの微細な混合組織をいいます。
これはパーライトの一種です。この、ソルバイトより、さらに微細な組織の場合には、トルースタイトと呼ばれます。
焼入れ時に恒温熱処理(オーステンパー)を行うことでも、これらパーライトの微細組織が得られます。
炭素鋼などを焼入れして、マルテンサイト状態にした鋼を、焼戻しで温度を上げていくと、250℃程度以上でセメンタイト(炭化物の1種:Fe3C)が析出し、トルースタイトと呼ばれる微細な層状組織になります。
さらに焼戻し温度を高めて500℃程度以上になると微細組織が成長して次第に硬さが低下してソルバイトと呼ばれる組織になる … と説明されます。
両者の境界(区分け)は特になく、イメージ的な感じで表現されているといえるでしょう。
オーステンパーでの生成
焼入れの際に大きなパーライトが出ないように一定の温度に保持して恒温変態させる(これは、オーステンパーという)と、その保持温度によって組織の違った状態の熱処理が可能になります。

この図では、600℃程度の温度の温度の「微細パーライト」で、温度が高い側ではやや組織の粗いソルバイトが、パーライトノーズに近いところではトルースタイトになります。
通常の焼入れ焼戻しでは、焼戻し温度が上がるにつれて、マルテンサイト ~ トルースタイト ~ ソルバイト組織になります。
これらの違いも厳密なものではなく、説明もイメージ的なものです。

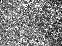
これは、山本化学工具研究社さんの組織写真を引用しています。
左がトルースタイト、右がソルバイト組織です。
その説明では、写真は共析鋼の焼入れ焼戻し組織で、トルースタイトは350℃焼戻しでおよそ50HRC、ソルバイトは580℃焼戻しで30-40HRC … とあります。
いずれも、この程度の倍率ではわかりませんが、非常に微細なパーライト組織です。
しかし、それがどちらになるかという境界を顕微鏡で判定するのもむずかしいのですが、微細な組織になるにつれて硬さが高くなっていますので、硬さでも比較できます。

